Chapter 11 - Influence Mine Units - SVK and Luftwaffe; Section 3 - Acoustic Mine Units - A 105: System 3 - A 7 and A 107Chapter 11 - Influence Mine Units - SVK and Luftwaffe; Section 3 - Acoustic Magnetic Units - A 107tc
GERMAN UNDERWATERS ORDNANCE MINES
Chapter 11 - INFLUENCE MINE UNITS - SVK AND LUFTWAFFE
Section 3 - ACOUSTIC MINE UNITS
A 105

Relay Reactions – (A 107 for Ground Mine - Goepel)

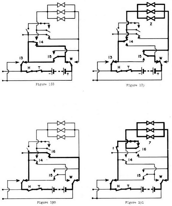
1. Firing. Relay F is the firing relay and is more sensitive than relay Fu, the protection relay. If the sound level rises too rapidly, Fu will operate as a result of long delays on F caused by the large condensers. If the sound level does not rise too rapidly, as in normal ship transits, Fu will not be actuated and C4 will charge as shown in figure 193. The charging of C5 quiets the action of Fu, and, when C4 is fully charged, C3 is charged, through rectifier No. 10, figure 194. When C3 is fully charged, C2 is charged through the additional resistance of resistor No. 6, figure 195. After the additional delay occaisioned by charging of C2, current may flow to C1 and the firing relay F. If the charging current to C1 due to sound level is large enough, relay F will be energized as shown in figure 196; contact (f) closes, and the firing circuit is shown in figure 191.

(D is an additional set of terminals which may be used to fit a pressure (Druck) unit to convert to an AD 107 unit. They are normally bridged in all A 107 circuit diagrams).

2. Blocking. If, at any time before F operates, the sound level rises too rapidly, relay Fu will operate and close contact (fu). Closing of (fu) short-circuits all charging current to C1 through rectifier No. 9 and maintains holding for relay Fu as long as such current flows, figure 197 and figure 198. In addition, as shown in figure 199, condenser C2 dis-charges through the same circuit in addition to going through the coil of relay F in the opposite direction. Thus, (f) is prevented completely from closing, and blocking continues as long as charging current continues to flow in large volumes from the rectifier circuit. When the sound level drops off, C2 and C1 are substantially discharged. Note that block-ing occurs if the sound level rises too rapidly due to the action of relay Fu; also, alt-hough not a locking action, if the sound level rises too slowly and is not of sufficient magnitude when charging current runs to C1, relay F will not be operated. Therefore, if firing is to occur, the sound level must rise at a rate between the two described.

Figure 188-191 – Sequence of Operation, A 107 Unit

Figure 192-199 – Sequence of Operation, A 107 Unit

Chapter 11 - Influence Mine Units - SVK and Luftwaffe; Section 3 - Acoustic Mine Units - A 105: System 3 - A 7 and A 107Chapter 11 - Influence Mine Units - SVK and Luftwaffe; Section 3 - Acoustic Magnetic Units - A 107tc