Chapter 11 - Influence Mine Units - SVK and Luftwaffe; Section 6 - Supersonic Units - Echo-Sounder Mines Types AE 1 and AE 101: The MineshellsChapter 11 - Influence Mine Units - SVK and Luftwaffe; Section 6 - Supersonic Units - Echo-Sounder Mines Type AE 1 and AE 101: Arming of the AE 1
GERMAN UNDERWATERS ORDNANCE MINES
Chapter 11 - INFLUENCE MINE UNITS - SVK AND LUFTWAFFE
Section 6 - SUPERSONIC UNITS
ECHO-SOUNDER MINES TYPES AE 1 AND AE 101

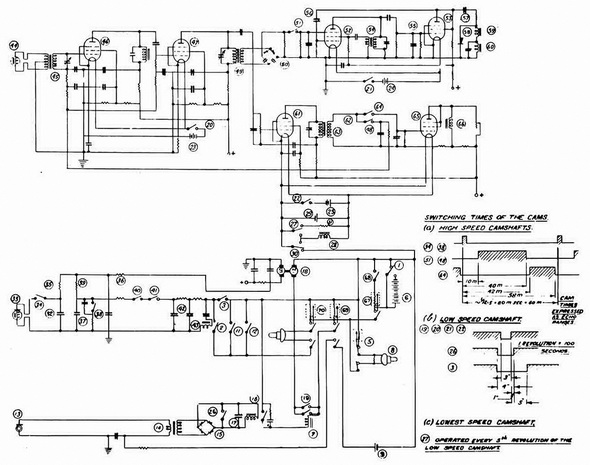
The Circuits (figures 231 and 232). The circuits of the AE 1 and AE 101 are similar, except for the arrangements for arming and for the range of echo depths covered. The range is greater for the buoyant mine on account of its greater operational depth.

Figure 231 – AE 1 Unit Circuit

Figure 231 – AE 101 Unit Circuit

Chapter 11 - Influence Mine Units - SVK and Luftwaffe; Section 6 - Supersonic Units - Echo-Sounder Mines Types AE 1 and AE 101: The MineshellsChapter 11 - Influence Mine Units - SVK and Luftwaffe; Section 6 - Supersonic Units - Echo-Sounder Mines Type AE 1 and AE 101: Arming of the AE 1