Chapter 11 - Influence Mine Units - SVK and Luftwaffe; Section 6 - Supersonic Units - Echo-Sounder Mines Types AE 1 and AE 101: Arming of the AE 1Chapter 11 - Influence Mine Units - SVK and Luftwaffe; Section 6 - Supersonic Units - Echo-Sounder Mines Type AE 1 and AE 101: Acoustic Trigger Circuit
GERMAN UNDERWATERS ORDNANCE MINES
Chapter 11 - INFLUENCE MINE UNITS - SVK AND LUFTWAFFE
Section 6 - SUPERSONIC UNITS
ECHO-SOUNDER MINES TYPES AE 1 AND AE 101

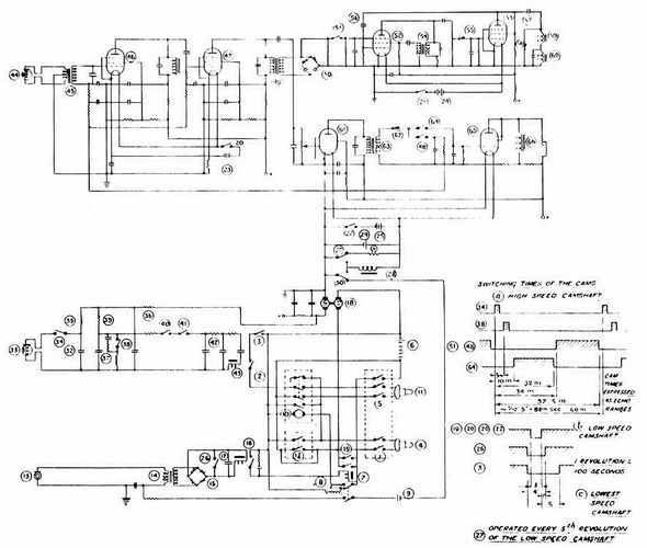
Arming of the AE 101. When the mine is released from its aircraft, a thermite charge burns out and operates switch (1), figure 232. Switch (1) connects heater-coil relay (67) to the main battery (6), provided the temperature-protection switch (68) is closed. Switch (68) protects the battery by closing only when the ambient temperature lies bet-ween -5° Centigrade and +35° Centigrade. The battery has a nominal capacity of 12 volts, 10 ampere hours.

After two minutes, heater-coil relay (67) connects the main battery to heater-coil re-lays (5), (69), and (70), and to the detonator (8), which operates the explosive release mechanism for the float which carries the magnetostrictive receivers.

After 15 seconds heater-coil relay (5) disconnects the battery supply from the explo-sive release detonator (8) to prevent the broken leads from grounding the battery.

After two minutes, heater coil relay (69) partly connects the main battery to the coil and contacts of relay (7) at the same time it connects battery (9) to the carbon micro-phone which operates the acoustic triggering.

At the same time heater coil relay (70) connects the main detonator to the firing cir-cuit. The mine is now armed.

It the mine is lifted into shallow water, the hydrostatic switch (12) fires the detona-tor.

If the temperature of the mine falls below -5° Centigrade, thermostatic switch (11) fires the detonator. Presumably this is to prevent recovery of the mine by some freezing technique.

Figure 232 - AE 101 Unit Circuit

Chapter 11 - Influence Mine Units - SVK and Luftwaffe; Section 6 - Supersonic Units - Echo-Sounder Mines Types AE 1 and AE 101: Arming of the AE 1Chapter 11 - Influence Mine Units - SVK and Luftwaffe; Section 6 - Supersonic Units - Echo-Sounder Mines Type AE 1 and AE 101: Acoustic Trigger Circuit