Chapter 11 - Influence Mine Units - SVK and Luftwaffe; Section 7 - Pressure and Pressure-Combination Units - AD 104 UnitChapter 11 - Influence Mine Units - SVK and Luftwaffe; Section 7 - Pressure and Pressure-Combination Units - DA 102 Mine Unit Series
GERMAN UNDERWATERS ORDNANCE MINES
Chapter 11 - INFLUENCE MINE UNITS - SVK AND LUFTWAFFE
Section 7 - PRESSURE AND PRESSURE-COMBINATION UNITS
AD 104 UNIT

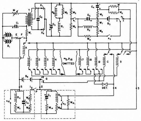
Operation. After the unit is armed, both the acoustic and the pressure components are continuously alive. "Blind" P.D.M. actuations (9 maximum) are run off by the acoustic component only, and, upon completion of the P.D.M. actuations, the unit is receptive to acoustic-pressure firing.

Acoustic Actuation. An acoustic firing actuation operation R1, R2, and R3, in order closing them to contacts R1, R2b, and R3 respectively. This completes the circuit from B2 through the three contacts above, through W3, W9, W16, and the detonator. The addi-tion of W16 raises the unit resistance to a point where the current flow is not sufficient to fire the detonator, nor to hold the relays closed. If the sound falls off, the circuit and relays return to normal.

Pressure Actuation. A decrease in hydrostatic pressure closes pressure switch P. This causes B2 to start charging C6 through W12 and W13 in an attempt to operate R4 through W11. If P remains closed for a sufficient period, R4 makes and B2 charges C7 through W14 in an attempt to operate R5 through W15. If R5 makes, it shorts W16 and reduces the resistance of the detonator circuit, leaving the unit receptive to acoustic firing.

Combination Actuation. If acoustic actuation occurs first, the sound must be main-tained at firing level until pressure actuation is complete. In this case, the closing of R5 by actuation of the pressure components, allows the acoustic unit to fire the detonator.

If pressure actuation occurs first, acoustic actuation may reach completion at any time thereafter up to 45 seconds, because after P opens, the charge on C6 and C7 keeps R5 made until the charge drains off.

Integrating Firing Feature. The pressure component is designed to register an actua-tion if P is closed continuously for a period of seven seconds. This interval, however, may be somewhat decreased if C6 and C7 are partially charged at the time of actuation, since the arrangement and circuit do not permit rapid condenser discharge. If the con-densers are partially charged by a P switch closure of less than seven seconds duration, and if, before the charge leaks off, another P switch closure occurs, it is possible for ad-ditional closure, non of which may be seven seconds long, to register a complete actua-tion. Such an actuation is, of course, dependent upon the short-interval closures occur-ing close together. This effect may be produced by wave action under certain conditions and thereby cause the pressure component to be continuously actuated. If this occurs, the unit is, in effect, a straight acoustic unit.

Figure 240 – AD 104 Unit Circuit

Chapter 11 - Influence Mine Units - SVK and Luftwaffe; Section 7 - Pressure and Pressure-Combination Units - AD 104 UnitChapter 11 - Influence Mine Units - SVK and Luftwaffe; Section 7 - Pressure and Pressure-Combination Units - DA 102 Mine Unit Series