Chapter 11 - Influence Mine Units - SVK and Luftwaffe; Section 8 - Experimental Units: AJ 102 and AJD 102 UnitsChapter 11 - Influence Mine Units - SVK and Luftwaffe; Section 8 - Experimental Units: AMT Units
GERMAN UNDERWATERS ORDNANCE MINES
Chapter 11 - INFLUENCE MINE UNITS - SVK AND LUFTWAFFE
Section 8 - EXPERIMENTAL UNITS
JDA 105 UNIT

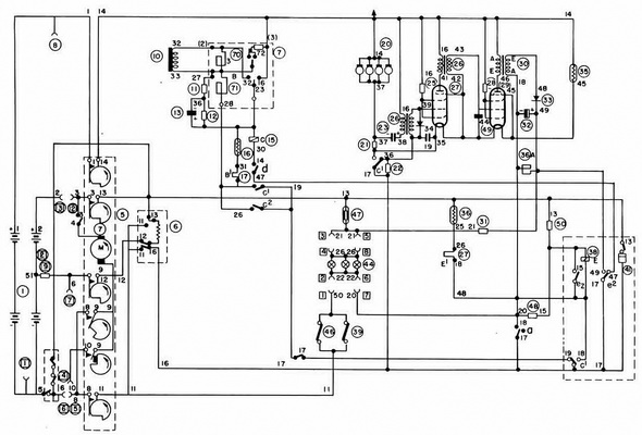
The German JDA 105 mine unit is an attempt to substitute an induction influence com-ponent into a combination mine-firing mechanism. Essentially, the JDA 105 is the same as the MA 105 unit, except that in JDA 105 an induction circuit is used instead of the dip-needle magnetic, and a "permissive" pressure circuit is added. No samples of the subject unit have been captured.

The JDA 105 unit is a combined induction-pressure-acoustic mine-firing mechanism of the sam basic design as the MA 105. It is identical in appearance to the MA 101 except that it is fitted with an aluminum plate mounting the pressure-detecting device instead of the magnetic component hemisphere found on MA 101. As well, JDA 105 is fitted with a packing gland for leads to the coil-rod, which is mounted separately from the unit in a tube in the case of the BM 1000 J mine. Except for the introduction of the pressure com-ponent and substitution of the induction system, the appears to be identical to the MA 105.

Figure 252 – JDA 105 Unit Circuit

Chapter 11 - Influence Mine Units - SVK and Luftwaffe; Section 8 - Experimental Units: AJ 102 and AJD 102 UnitsChapter 11 - Influence Mine Units - SVK and Luftwaffe; Section 8 - Experimental Units: AMT Units